机舱暖风机
首页 > 船用散热器、机舱暖风机 >
机舱暖风机
【产品详情】
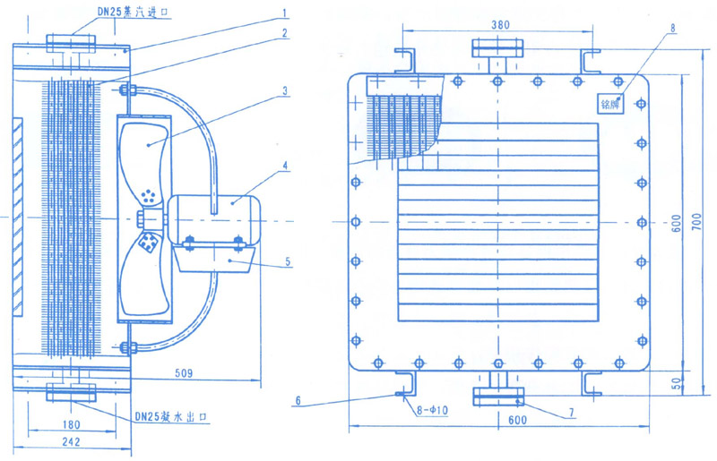
机舱暖风机产品示意图:

主要技术性能及要求:
机舱暖风机主要由机壳、风轮、船用电动机、散热盘管组成。
接口尺寸:
机舱暖风机的进出口法兰均配对。
主要技术性能指标:
技术性能指标见下表(表中技术性能指标以标准进气为标准,即大气压力为101.33kPa,进风温度为15℃,蒸汽压力为0.3MPa)。
机舱暖风机型号 | 风量 m 3 /h | 散热量 kcal/h | 转速r/min | 噪音dB(A) | 电机功率kw |
STNFJ-21-00 | 3000 | 18000 | 1460 | 0.25 |
来源:本站 时间:2019-08-19 08:51:13
【其它产品】
【其它新闻】
快速导航:


产品名称:机舱暖风机