2LQG2W型冷却器
【产品详情】
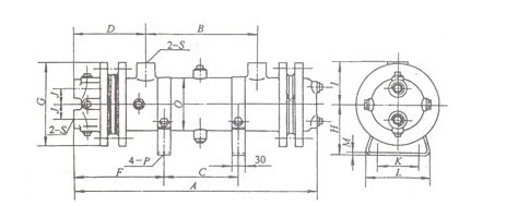
2LQG2W型冷却器示意图:

2LQG2W型冷却器规格及尺寸图:
规格/m2 | 尺寸/mm | A | B | C | D | F | G | H | I | J | K | L | M | P | O | S | 质量/kg |
0.5 | 464 | 212 | 134 | 140 | 178 | 160 | 100 | 80 | 28 | 80 | 130 | 3 | ф12 | 100 | G3/4 | 17 | |
0.7 | 522 | 270 | 192 | 18 | |||||||||||||
1.0 | 696 | 444 | 366 | 22 | |||||||||||||
1.6 | 986 | 734 | 656 | 27 | |||||||||||||
1.3 | 550 | 278 | 191 | 150 | 193 | 190 | 120 | 95 | 30 | 100 | 157 | 3 | ф12 | 130 | G1 | 30 | |
2.0 | 706 | 434 | 347 | 34 | |||||||||||||
2.5 | 862 | 590 | 500 | 40 | |||||||||||||
3.5 | 1096 | 824 | 737 | 48 | |||||||||||||
3.0 | 674 | 382 | 285 | 160 | 208 | 230 | 145 | 115 | 50 | 130 | 188 | 4 | ф14 | 164 | G11/4 | 52 | |
4.0 | 830 | 538 | 441 | 61 | |||||||||||||
4.5 | 908 | 616 | 519 | 65 | |||||||||||||
5.5 | 1064 | 772 | 675 | 73 | |||||||||||||
5.0 | 742 | 430 | 328 | 170 | 220 | 260 | 170 | 135 | 62 | 150 | 217 | ф14 | 194 | G11/2 | 71 | ||
6.0 | 830 | 518 | 416 | 77 | |||||||||||||
7.0 | 918 | 606 | 504 | 83 | |||||||||||||
9.0 | 1180 | 868 | 766 | 102 | |||||||||||||
8.0 | 793 | 446 | 332 | 180 | 246 | 290 | 195 | 155 | 70 | 180 | 246 | 4 | ф14 | 224 | G2 | 95 | |
10 | 969 | 622 | 508 | 111 | |||||||||||||
12 | 1145 | 798 | 684 | 127 | |||||||||||||
14 | 1321 | 974 | 860 | 143 | |||||||||||||
来源:本站 时间:2019-08-19 08:56:09
【其它产品】
【其它新闻】
快速导航:


产品名称:2LQG2W型冷却器



